High Efficiency Propeller(HEP)
Solutions
Customized green system solutions for SG, ESDs, AMP, VFD, WAPS, CCS, ALS, DF and more.
Shaft Generator
Shaft Generator (SG) is a highly efficient and stable energy conversion system that significantly improves energy utilization by recycling surplus power from the ship's propulsion system to generate electricity. The core components of the SG system includes the shaft generator, SG converter, isolation transformer and SG panel, which can realize a seamless connection with the ship's power grid. After installation, the SG system can improve the ship's EEXI by 3%-8% and effectively reduce carbon emissions. During the voyage, the SG system can reduce or completely replace the use of diesel generators, reducing fuel consumption and operating costs, and can be applicable to all types of ships.

Hydrodynamic ESDs
Hydrodynamic Energy Saving Devices (Hydro.ESDs) are a class of innovative technical devices that achieve high energy efficiency by optimizing the hydrodynamic performance of ships. Hydro.ESDs significantly reduce energy consumption by improving the flow field around the hull, reducing resistance, and increasing propulsion efficiency. The main devices include HEP, PSV, HVAF, etc., which can effectively reduce fuel consumption (typically by 3-10%) and carbon emissions, and at the same time enhance the operational efficiency of the ship. Hydro.ESDs can be applicable to all types of ships, such as bulk carriers, tankers and containers, and are an important technical solution for energy saving and emission reduction of ships, which is both environmentally friendly and economical.
Alternative Marine Power
Alternative Marine Power (AMP) is a green technology that enables ships to shut down onboard generators and switch to shore power while in port. By connecting the ship power grid to shore electricity via dedicated cables, the AMP system provides stable power supply to vessel equipment, significantly reducing fuel consumption and pollutant emissions during berthing. Comprising shipboard receiving equipment and shore-based power supply units, the AMP system supports multiple voltage and frequency adaptations, ensuring user-friendly and safe operations. Beyond effectively reducing carbon emissions, AMP also decreases port fees and improves harbor environments, making it a critical decarbonization solution for all ship types.

Variable Frequency Drive
Variable Frequency Drive (VFD) System automatically adjusts the output frequency and voltage of AC power based on real-time temperature and pressure signals, enabling precise control of motor speed to match actual load demands. It effectively prevents pumps, fans, and other equipment from operating under the rated power constantly, significantly reducing energy consumption (typically by 50%~80%) while minimizing mechanical wear and extending service life. With advantages including high efficiency, stable operation, and precise control, VFD system is applicable to all vessel types.

Wind Assisted Propulsion System
Wind Assisted Propulsion System (WAPS) is a green ship propulsion technology that harnesses wind energy as auxiliary power. By installing devices such as sails or rotors to capture wind energy, the WAPS system generates additional thrust to reduce main engine load. It automatically adjusts wind energy capture efficiency based on wind speed and vessel heading, seamlessly integrating with conventional propulsion systems. WAPS significantly reduces fuel consumption (typically by 5%-25%) and carbon emissions while improving the ship's EEXI, making it particularly suitable for bulk carriers, tankers, and other ship types.

Carbon Capture & Storage
Carbon Capture and Storage (CCS) is an advanced marine emission reduction technology that significantly reduces vessel carbon emissions by capturing, compressing, liquefying, and storing CO₂ from ship engine exhaust. The CCS system comprises carbon capture device, compression units, storage tanks, and monitoring system, enabling efficient exhaust gas processing and secure storage. Capable of reducing CO₂ emissions by up to 90%, CCS helps ships comply with stringent environmental regulations and can be applicable to all ship types.

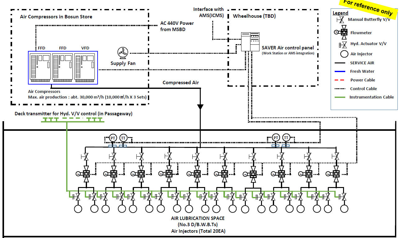
Air Lubrication System
Air Lubrication System (ALS) is an innovative energy-saving technology designed to decrease frictional resistance between the ship's hull and water. By releasing uniformly distributed tiny bubbles underneath the hull, the ALS creates an air lubrication layer that effectively reduces hull frictional resistance, thereby lowering fuel consumption and carbon emissions. The ALS integrates air compressors, bubble generators, a control system, and monitoring devices, enabling real-time adjustment of bubble generation and distribution according to navigation conditions. Post-installation, the ALS can achieve 5%-15% energy savings, significantly enhances ship's EEXI, and is widely applicable to all types of large ships, such as containers, tankers, and bulk carriers.

Dual-Fuel System
Dual-Fuel system (DF) is an advanced propulsion solution enabling ships to operate on two fuels (typically combining alternative fuels such as liquefied natural gas (LNG), methanol, or ammonia with conventional fuels) either simultaneously or alternatively. The DF system utilizes the Fuel Gas Supply System (FGSS) to manage LNG storage, delivery, gasification, and pressure regulation, ensuring safe and efficient fuel supply to the main engine. The DF system can reduce CO₂ emissions by 20%-30% compared to conventional systems. Suitable for all types of ships, the DF system represents an ideal compliance solution for meeting IMO environmental regulations.

◆ Shaft Generator
Shaft Generator (SG) is a highly efficient and stable energy conversion system that significantly improves energy utilization by recycling surplus power from the ship's propulsion system to generate electricity. The core components of the SG system includes the shaft generator, SG converter, isolation transformer and SG panel, which can realize a seamless connection with the ship's power grid. After installation, the SG system can improve the ship's EEXI by 3%-8% and effectively reduce carbon emissions. During the voyage, the SG system can reduce or completely replace the use of diesel generators, reducing fuel consumption and operating costs, and can be applicable to all types of ships.

◆ Hydrodynamic ESDs
Hydrodynamic Energy Saving Devices (Hydro.ESDs) are a class of innovative technical devices that achieve high energy efficiency by optimizing the hydrodynamic performance of ships. Hydro.ESDs significantly reduce energy consumption by improving the flow field around the hull, reducing resistance, and increasing propulsion efficiency. The main devices include HEP, PSV, HVAF, etc., which can effectively reduce fuel consumption (typically by 3-10%) and carbon emissions, and at the same time enhance the operational efficiency of the ship. Hydro.ESDs can be applicable to all types of ships, such as bulk carriers, tankers and containers, and are an important technical solution for energy saving and emission reduction of ships, which is both environmentally friendly and economical.
◆ Alternative Marine Power
Alternative Marine Power (AMP) is a green technology that enables ships to shut down onboard generators and switch to shore power while in port. By connecting the ship power grid to shore electricity via dedicated cables, the AMP system provides stable power supply to vessel equipment, significantly reducing fuel consumption and pollutant emissions during berthing. Comprising shipboard receiving equipment and shore-based power supply units, the AMP system supports multiple voltage and frequency adaptations, ensuring user-friendly and safe operations. Beyond effectively reducing carbon emissions, AMP also decreases port fees and improves harbor environments, making it a critical decarbonization solution for all ship types.

◆ Variable Frequency Drive
Variable Frequency Drive (VFD) System automatically adjusts the output frequency and voltage of AC power based on real-time temperature and pressure signals, enabling precise control of motor speed to match actual load demands. It effectively prevents pumps, fans, and other equipment from operating under the rated power constantly, significantly reducing energy consumption (typically by 50%~80%) while minimizing mechanical wear and extending service life. With advantages including high efficiency, stable operation, and precise control, VFD system is applicable to all vessel types.

◆ Wind Assisted Propulsion System
Wind Assisted Propulsion System (WAPS) is a green ship propulsion technology that harnesses wind energy as auxiliary power. By installing devices such as sails or rotors to capture wind energy, the WAPS system generates additional thrust to reduce main engine load. It automatically adjusts wind energy capture efficiency based on wind speed and vessel heading, seamlessly integrating with conventional propulsion systems. WAPS significantly reduces fuel consumption (typically by 5%-25%) and carbon emissions while improving the ship's EEXI, making it particularly suitable for bulk carriers, tankers, and other ship types.

◆ Carbon Capture & Storage
Carbon Capture and Storage (CCS) is an advanced marine emission reduction technology that significantly reduces vessel carbon emissions by capturing, compressing, liquefying, and storing CO₂ from ship engine exhaust. The CCS system comprises carbon capture device, compression units, storage tanks, and monitoring system, enabling efficient exhaust gas processing and secure storage. Capable of reducing CO₂ emissions by up to 90%, CCS helps ships comply with stringent environmental regulations and can be applicable to all ship types.

◆ Air Lubrication System
Air Lubrication System (ALS) is an innovative energy-saving technology designed to decrease frictional resistance between the ship's hull and water. By releasing uniformly distributed tiny bubbles underneath the hull, the ALS creates an air lubrication layer that effectively reduces hull frictional resistance, thereby lowering fuel consumption and carbon emissions. The ALS integrates air compressors, bubble generators, a control system, and monitoring devices, enabling real-time adjustment of bubble generation and distribution according to navigation conditions. Post-installation, the ALS can achieve 5%-15% energy savings, significantly enhances ship's EEXI, and is widely applicable to all types of large ships, such as containers, tankers, and bulk carriers.

◆ Dual-Fuel System
Dual-Fuel system (DF) is an advanced propulsion solution enabling ships to operate on two fuels (typically combining alternative fuels such as liquefied natural gas (LNG), methanol, or ammonia with conventional fuels) either simultaneously or alternatively. The DF system utilizes the Fuel Gas Supply System (FGSS) to manage LNG storage, delivery, gasification, and pressure regulation, ensuring safe and efficient fuel supply to the main engine. The DF system can reduce CO₂ emissions by 20%-30% compared to conventional systems. Suitable for all types of ships, the DF system represents an ideal compliance solution for meeting IMO environmental regulations.



